Tổng quan máy tiện CNC Nakamura Tome AS-200 và AS-200L

Máy tiện CNC Nakamura Tome AS-200

Máy tiện CNC Nakamura Tome AS-200L
Video về máy tiện CNC Nakamura Tome AS-200 và AS-200L
Máy tiện CNC Nakamura Tome AS-200 và AS-200L là dòng máy tiện CNC được trang bị trục Y, trục C và chức năng phay tiêu chuẩn, cho phép thực hiện các nguyên công tiện – phay kết hợp trong một lần gá. Dòng máy được thiết kế hướng tới khả năng gia công tải cắt lớn, độ ổn định cao và hiệu quả sản xuất tối ưu.
Trong đó, AS-200L là phiên bản băng máy dài (long bed) của AS-200, được phát triển nhằm mở rộng chiều dài gia công và phạm vi ứng dụng, phù hợp cho cả sản xuất lô nhỏ và sản xuất hàng loạt.
Khả năng gia công tiện - phay với trục Y
Tích hợp trục Y và gia công tiêu chuẩn trên AS-200

AS-200 được trang bị trục Y và chức năng phay ngay từ cấu hình tiêu chuẩn. Hành trình trượt trục Y đạt ±41 mm, cho phép thực hiện các nguyên công phay lệch tâm, phay mặt và phay rãnh trực tiếp trên máy tiện CNC.
Gia công với trục Y cho phép thực hiện đồng thời các nguyên công tiện và phay với công suất cao. Ví dụ gia công cho thấy khả năng cắt gọt mạnh mẽ của máy:

Phay với dao đường kính 16 mm, chiều sâu cắt 5 mm, lượng chạy dao 0,2 mm/vòng ở tốc độ cắt 200 m/phút; tiện với đường kính gia công 72 mm, chiều sâu cắt 4 mm, lượng chạy dao 0,35 mm/vòng ở tốc độ cắt 180 m/phút;
Khoan với đường kính mũi khoan 50 mm, lượng chạy dao 0,12 mm/vòng ở tốc độ cắt 150 m/phút.
Các thông số này cho thấy AS-200 đáp ứng tốt cả gia công tiện và phay với tải cắt lớn.
Khả năng gia công hiệu suất cao với trục Y trên AS-200L

Hệ thống truyền động phay công suất lớn, kết hợp với trục C tốc độ cao, độ chính xác cao và trục Y có hành trình 82 mm, cho phép gia công hoàn thiện chi tiết ngay trên một máy. Nhờ đó, các nguyên công gia công thứ cấp như vát ba via, phay lại hoặc khoan lại có thể được loại bỏ, đồng thời không cần sử dụng đồ gá định vị lại chi tiết. Công nghệ của Nakamura Tome hướng tới việc tạo ra giá trị mới trong gia công, đồng thời duy trì vị thế dẫn đầu thế giới về hiệu quả chi phí đầu tư.
AS-200L là phiên bản băng máy dài của dòng AS-200, được thiết kế nhằm nâng cao năng suất gia công và mở rộng phạm vi ứng dụng. Máy được trang bị tiêu chuẩn trục Y, chức năng phay và trục C, đáp ứng yêu cầu gia công đa nhiệm với hiệu suất cao, phù hợp cho cả sản xuất lô nhỏ và sản xuất hàng loạt.

Máy được trang bị động cơ trục chính công suất lớn, kết hợp với đài dao 12/24 trạm hoặc 15 trạm tùy cấu hình. Hệ thống phay sử dụng động cơ phay riêng với tốc độ cao, đáp ứng các nguyên công phay chính xác. Khoảng cách giữa hai đầu trục chính được thiết kế hợp lý, cùng với chiều dài nhô dao được kiểm soát, giúp đảm bảo độ cứng vững và độ ổn định khi gia công.
Khả năng gia công với trục chính phụ (tùy chọn) trên AS-200L

Ở các cấu hình có trục chính phụ, máy tiếp tục duy trì khả năng gia công tiện – phay với công suất cao. Ví dụ gia công cho thấy máy có thể thực hiện các nguyên công phay và tiện với tải cắt lớn, đảm bảo độ ổn định và độ chính xác ngay cả khi gia công hai đầu chi tiết trong cùng một chu trình. Cấu hình này đặc biệt phù hợp cho sản xuất hàng loạt và gia công chi tiết yêu cầu hoàn thiện toàn bộ trong một lần gá.
Kết cấu và cấu hình máy tiện CNC Nakamura Tome AS-200 và AS-200L
Kết cấu và cấu hình máy tiện CNC Nakamura Tome AS-200

AS-200 được thiết kế với nhiều cấu hình tiêu chuẩn và tùy chọn, cho phép linh hoạt theo yêu cầu gia công khác nhau.
Trục chính:
Công suất: 15 / 11 kW
- Mô-men xoắn:
- 258 / 218 N·m (phiên bản mô-men xoắn cao – tùy chọn)
- 110 / 61 N·m (phiên bản tiêu chuẩn)
- Tốc độ quay tối đa: 4.500 vòng/phút
- Tùy chọn cấu hình mô-men xoắn cao:
- 143 / 79 N·m
- Tốc độ tối đa: 3.000 vòng/phút
Khả năng gia công phôi thanh (Bar capacity):
- Ø65 mm (tiêu chuẩn)
- Ø71 mm (tùy chọn)
Ụ động (Tailstock):
- Côn ụ động: MT-4
- Đường kính nòng ụ động (Quill diameter): Ø70 mm
- Hành trình nòng ụ động (Quill stroke): 80 mm
Hệ thống phay:
- Công suất động cơ phay: 5.5 / 3.7 kW
- Mô-men xoắn: 24 / 18 N·m
- Tốc độ quay tối đa: 6.000 vòng/phút
Trục Y:
- Hành trình trục Y: ±41 mm
- Trang bị tiêu chuẩn
Trục C:
- Tốc độ chia độ nhanh: 600 vòng/phút
Đài dao 12/24 trạm (tiêu chuẩn):
- Kiểu đài dao: lục giác
- Số lượng dao chứa: 24
- Số lượng vị trí lắp đặt: 24
- Số dao truyền động: 12
- Tốc độ quay tối đa: 6.000 vòng/phút
- Kích thước dao tiện ngoài: 20 / 25 mm
- Đường kính dao tiện trong: Ø32 mm
- Đường kính collet cho dao truyền động: Ø1 – Ø16 mm
- Đường kính bàn dao xoay: Ø570 mm
- Đường kính tiện lớn nhất: Ø340 mm
Đài dao 15 trạm (tùy chọn):
- Kiểu đài dao: 15 vị trí lắp
- Số lượng dao chứa: 15
- : 15
- Số dao truyền động: 15
- Tốc độ tối đa dao truyền động: 6.000 vòng/phút
- Kích thước dao tiện ngoài: 20 / 25 mm
- Đường kính dao tiện trong: Ø32 mm
- Đường kính collet cho dao truyền động: Ø1 – Ø16 mm
- Đường kính quỹ đạo dao: Ø620 mm
- Đường kính tiện lớn nhất: Ø280 mm
Độ ổn định, tiết kiệm năng lượng và thân thiện với người vận hành (AS-200)

AS-200 được trang bị nhiều chức năng tiết kiệm năng lượng và duy trì độ chính xác ổn định, hoạt động tự động ngoài thời gian gia công.
Các chức năng tiết kiệm năng lượng:
- Dừng động cơ bơm thủy lực và bơm bôi trơn khi không ở chế độ tự động
- Tắt nguồn servo khi không ở chế độ tự động
- Dừng quạt làm mát tủ điện khi không ở chế độ tự động
- Dừng quạt động cơ khi không ở chế độ tự động
- Chế độ tiết kiệm năng lượng cho từng trục trong quá trình tăng/giảm tốc
- Bộ hẹn giờ vận hành gián đoạn cho băng tải phoi (tùy chọn)
- Tắt đèn làm việc
- Tắt đèn nền màn hình LCD
- Tùy chọn cụm bơm thủy lực điều khiển bằng biến tần
Thiết kế thân thiện với người vận hành:
- Cửa quan sát lớn, giúp cải thiện khả năng quan sát khu vực gia công
- Khoảng cách từ mặt trước máy đến trục chính: 400 mm, thuận tiện cho thao tác
- Thiết kế nhỏ gọn, diện tích lắp đặt thuộc nhỏ nhất trong phân khúc
Diện tích lắp đặt:
- Chiều rộng: 1,66 m
- Chiều sâu: 1,67 m
Kết cấu và cấu hình máy tiện CNC Nakamura Tome AS-200L

Máy tiện CNC Nakamura Tome AS-200L là phiên bản băng máy dài (Long bed) của dòng AS-200.
Trục chính (Spindle motor):
- Công suất: 15 / 11 kW
- Mô-men xoắn:
- 258 / 218 N·m (phiên bản mô-men xoắn cao – tùy chọn)
- 110 / 61 N·m (phiên bản tiêu chuẩn)
- Tốc độ quay tối đa: 4.500 vòng/phút
- Tùy chọn cấu hình mô-men xoắn cao:
- 143 / 79 N·m
- Tốc độ tối đa: 3.000 vòng/phút
Khả năng gia công phôi thanh:
- Ø65 mm (tiêu chuẩn)
- Ø71 mm (tùy chọn)
Trục chính phụ (tùy chọn):
- Công suất động cơ: 7.5 / 5.5 kW
- Mô-men xoắn: 61 / 34 N·m
- Tốc độ quay tối đa: 6.000 vòng/phút
Ụ động (tùy chọn):
- Côn ụ động: MT-4
- Đường kính nòng ụ động: Ø70 mm
- Hành trình nòng ụ động: 80 mm
Hệ thống đài dao
Đài dao 12/24 trạm (tiêu chuẩn):
- Kiểu đài dao: Lục giác
- Số lượng dao chứa: 24
- Số vị trí lắp đặt: 24
- Số dao truyền động: 12
- Tốc độ tối đa dao truyền động: 6.000 vòng/phút
- Kích thước dao tiện ngoài: 20 / 25 mm
- Đường kính dao tiện trong: Ø32 mm
- Đường kính collet cho dao truyền động: Ø1 – Ø16 mm
- Đường kính bàn dao xoay: Ø570 mm
- Đường kính tiện lớn nhất: Ø340 mm
Đài dao 15 trạm (tùy chọn):
- Kiểu đài dao: 15 vị trí lắp
- Số lượng dao chứa: 15
- Số vị trí lắp đặt: 15
- Số dao truyền động: 15
- Tốc độ tối đa dao truyền động: 6.000 vòng/phút
- Kích thước dao tiện ngoài: 20 / 25 mm
- Đường kính dao tiện trong: Ø32 mm
- Đường kính collet cho dao truyền động: Ø1 – Ø16 mm
- Đường kính quỹ đạo dao: Ø620 mm
- Đường kính tiện lớn nhất: Ø280 mm
Độ chính xác ổn định được đảm bảo

Thiết kế nhỏ gọn
Diện tích lắp đặt nhỏ nhất trong phân khúc.
- Kích thước chiếm chỗ:
- Chiều dài: 2.716 m
- Chiều rộng: 1.805 m
Thân thiện với người vận hành
Khoảng cách từ mặt trước đến trục chính được tối ưu.
- Khoảng cách phía trước trục chính: 425 mm
- Chiều cao thao tác: 1.155 m
Cửa quan sát lớn
Cửa sổ quan sát kích thước lớn giúp cải thiện tầm nhìn khu vực gia công.
Chức năng tiết kiệm năng lượng – thân thiện môi trường
- Dừng động cơ bơm thủy lực và bơm bôi trơn khi không ở chế độ gia công tự động
- Tắt nguồn servo khi không ở chế độ gia công tự động
- Dừng quạt làm mát tủ điện khi không ở chế độ gia công tự động
- Dừng quạt động cơ khi không ở chế độ gia công tự động
- Chế độ tiết kiệm năng lượng cho từng trục trong quá trình tăng/giảm tốc
- Băng tải phoi tiêu chuẩn có chế độ vận hành theo bộ hẹn giờ (tùy chọn)
- Chức năng tắt đèn làm việc
- Chức năng tắt đèn nền màn hình LCD
- Cụm bơm thủy lực điều khiển bằng biến tần (tùy chọn)
Biểu đồ đặc tính và bản vẽ kỹ thuật
Đặc tính trục chính, cấu hình tiêu chuẩn và mô-men xoắn cao

Đặc tính trục chính cho gia công tiện nặng ở tốc độ thấp

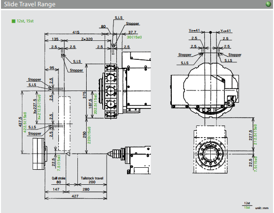
Bản vẽ hành trình và kích thước lắp đặt AS-200


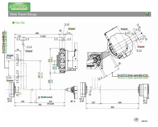
Bản vẽ hành trình và kích thước lắp đặt AS-200L


Thông số kỹ thuật máy tiện CNC Nakamura Tome AS-200 và AS-200L
| Thông số kỹ thuật | AS-200 (đài dao 12/24 trạm) | AS-200 (đài dao 15 trạm) | AS-200L (đài dao 12/24 trạm) | AS-200L (đài dao 15 trạm) | |
| Khả năng gia công | Đường kính qua băng | 400 mm | 400 mm | 400 mm | 400 mm |
| Đường kính qua bàn dao | 320 mm | 320 mm | 320 mm | 320 mm | |
| Đường kính tiện lớn nhất | 340 mm | 280 mm | 340 mm | 280 mm | |
| Đường kính tiện tiêu chuẩn | 190 mm | 190 mm | 190 mm | 190 mm | |
| Khoảng cách tâm (ụ động / trục chính phụ) | 427 mm | 427 mm | 760 mm | 760 mm | |
| Khoảng cách tâm (trục chính phụ) | – | – | 800 mm | 800 mm | |
| Chiều dài tiện lớn nhất | 300 mm | 300 mm | 570 mm | 570 mm | |
| Khả năng gia công phôi thanh | Ø65 mm (Ø71 mm tùy chọn) | Ø65 mm (Ø71 mm tùy chọn) | Ø65 mm | Ø65 mm | |
| Kích thước mâm cặp | 8 inch | 8 inch | 8 inch | 8 inch | |
| Hành trình trục | Hành trình trục X | 227.5 mm | 212.5 mm | 227.5 mm | 212.5 mm |
| Hành trình trục Z | 320 mm | 320 mm | 585 mm | 585 mm | |
| Hành trình trục Y | ±41 mm | ±41 mm | ±41 mm | ±41 mm | |
| Tốc độ chạy nhanh trục X | 24 m/phút | 24 m/phút | 24 m/phút | 24 m/phút | |
| Tốc độ chạy nhanh trục Z | 36 m/phút | 36 m/phút | 36 m/phút | 36 m/phút | |
| Tốc độ chạy nhanh trục Y | 6 m/phút | 6 m/phút | 6 m/phút | 6 m/phút | |
| Trục chính | Tốc độ trục chính | 0 – 4.500 vòng/phút | 0 – 4.500 vòng/phút | 0 – 4.500 vòng/phút | 0 – 4.500 vòng/phút |
| Dải tốc độ | Vô cấp | Vô cấp | Vô cấp | Vô cấp | |
| Mũi trục chính | A2-6 | A2-6 | A2-6 | A2-6 | |
| Lỗ xuyên trục chính | 80 mm | 80 mm | 80 mm | 80 mm | |
| Đường kính trong ổ trục trước | 110 mm | 110 mm | 110 mm | 110 mm | |
| Lỗ xuyên ống kéo | 66 mm (71 mm tùy chọn) | 66 mm (71 mm tùy chọn) | 66 mm | 66 mm | |
| Trục C | Độ chia đầu vào nhỏ nhất | 0,001° | 0,001° | 0,001° | 0,001° |
| Độ chia bước tăng nhỏ nhất | 0,001° | 0,001° | 0,001° | 0,001° | |
| Tốc độ chia độ nhanh | 600 vòng/phút | 600 vòng/phút | 600 vòng/phút | 600 vòng/phút | |
| Tốc độ ăn dao khi cắt | 1 – 4.800 °/phút | 1 – 4.800 °/phút | 1 – 4.800 °/phút | 1 – 4.800 °/phút | |
| Đầu kẹp trục C | Khóa đĩa | Khóa đĩa | Khóa đĩa | Khóa đĩa | |
| Thời gian kẹp trục C | 1,5 giây | 1,5 giây | 1,5 giây | 1,5 giây | |
| Đài dao | Kiểu đài dao | Tang trống lục giác | Đài dao 15 trạm | Tang trống lục giác | Đài dao 15 trạm |
| Số lượng ổ chứa dao | 24 | 15 | 24 | 15 | |
| Số lượng vị trí lắp | 24 | 15 | 24 | 15 | |
| Kích thước cán dao vuông | □20, □25 mm | □20, □25 mm | □20, □25 mm | □20, □25 mm | |
| Kích thước cán dao tròn | Ø32 mm | Ø32 mm | Ø32 mm | Ø32 mm | |
| Dao truyền động | Kiểu truyền động | Quay độc lập từng trạm | Quay độc lập từng trạm | Quay độc lập từng trạm | Quay độc lập từng trạm |
| Tốc độ quay | 6.000 vòng/phút | 6.000 vòng/phút | 6.000 vòng/phút | 6.000 vòng/phút | |
| Dải tốc độ | Vô cấp | Vô cấp | Vô cấp | Vô cấp | |
| Số lượng đài dao truyền động | 12 | 15 | 12 | 15 | |
| Cỡ collet | AR25 | AR25 | AR25 | AR25 | |
| Chuôi dao | Holder thẳng / ngang Ø1–Ø16 mm | Holder thẳng / ngang Ø1–Ø16 mm | Holder thẳng / ngang Ø1–Ø16 mm | Holder thẳng / ngang Ø1–Ø16 mm | |
| Ụ động (tùy chọn) | Đường kính nòng ụ động | Ø70 mm | Ø70 mm | Ø80 mm | Ø80 mm |
| Côn ụ động | MT-4 | MT-4 | MT-4 | MT-4 | |
| Hành trình nòng ụ động | 80 mm | 80 mm | 80 mm | 80 mm | |
| Hành trình ụ động | 200 mm | 200 mm | 435 mm | 435 mm | |
| Trục chính phụ (tùy chọn) | Tốc độ trục chính | – | – | 0 – 6.000 vòng/phút | 0 – 6.000 vòng/phút |
| Dải tốc độ | – | – | Vô cấp | Vô cấp | |
| Chuẩn đầu trục chính | – | – | A2-5 | A2-5 | |
| Lỗ xuyên trục chính | – | – | 56 mm | 56 mm | |
| Đường kính trong ổ trục trước | – | – | 80 mm | 80 mm | |
| Lỗ xuyên ống kéo | – | – | 43 mm | 43 mm | |
| Công suất động cơ | Trục chính chính – tiêu chuẩn | 15/11 kW – 110/61 N·m – 4.500 rpm | 15/11 kW – 125/69 N·m – 4.500 rpm | ||
| Trục chính chính – mô-men xoắn cao | 15/11 kW – 258/218 N·m – 4.500 rpm | 15/11 kW – 258/218 N·m – 4.500 rpm | |||
| Trục chính chính – tốc độ thấp | 15/11 kW – 143/79 N·m – 3.000 rpm | 15/11 kW – 158/83 N·m – 3.000 rpm | |||
| Trục chính phụ | – | – | 7.5 / 5.5 kW | 7.5 / 5.5 kW | |
| Động cơ dao truyền động | 5.5 / 3.7 kW | 5.5 / 3.7 kW | 5.5 / 3.7 kW | 5.5 / 3.7 kW | |
| Kích thước & trọng lượng | Chiều cao máy | 1.850 mm | 1.850 mm | 1.935 mm | 1.935 mm |
| Diện tích lắp đặt | 1.650 × 1.600 mm | 1.650 × 1.600 mm | 2.716 × 1.805 mm (Tiêu chuẩn) | ||
| Trọng lượng máy | 3.200 kg | 3.200 kg | 5.000 kg | ||
| Công suất nguồn | 20.6 kVA | 20.6 kVA | 19.8 kVA (TC) / 23 kVA (TC phụ) | ||
📞 Liên hệ tư vấn máy
Hotline: 0912.002.160
Email: attjsc@machinetools.com.vn
Thông số kỹ thuật của máy tiện CNC Nakamura Tome AS-200 và AS-200L
|
Thông số kỹ thuật |
AS-200 (đài dao 12/24 trạm) |
AS-200 (đài dao 15 trạm) |
AS-200L (đài dao 12/24 trạm) |
AS-200L (đài dao 15 trạm) |
|
|
Khả năng gia công |
Đường kính qua băng |
400 mm |
400 mm |
400 mm |
400 mm |
|
Đường kính qua bàn dao |
320 mm |
320 mm |
320 mm |
320 mm |
|
|
Đường kính tiện lớn nhất |
340 mm |
280 mm |
340 mm |
280 mm |
|
|
Đường kính tiện tiêu chuẩn |
190 mm |
190 mm |
190 mm |
190 mm |
|
|
Khoảng cách tâm (ụ động / trục chính phụ) |
427 mm |
427 mm |
760 mm |
760 mm |
|
|
Khoảng cách tâm (trục chính phụ) |
– |
– |
800 mm |
800 mm |
|
|
Chiều dài tiện lớn nhất |
300 mm |
300 mm |
570 mm |
570 mm |
|
|
Khả năng gia công phôi thanh |
Ø65 mm (Ø71 mm tùy chọn) |
Ø65 mm (Ø71 mm tùy chọn) |
Ø65 mm |
Ø65 mm |
|
|
Kích thước mâm cặp |
8 inch |
8 inch |
8 inch |
8 inch |
|
|
Hành trình trục |
Hành trình trục X |
227.5 mm |
212.5 mm |
227.5 mm |
212.5 mm |
|
Hành trình trục Z |
320 mm |
320 mm |
585 mm |
585 mm |
|
|
Hành trình trục Y |
±41 mm |
±41 mm |
±41 mm |
±41 mm |
|
|
Tốc độ chạy nhanh trục X |
24 m/phút |
24 m/phút |
24 m/phút |
24 m/phút |
|
|
Tốc độ chạy nhanh trục Z |
36 m/phút |
36 m/phút |
36 m/phút |
36 m/phút |
|
|
Tốc độ chạy nhanh trục Y |
6 m/phút |
6 m/phút |
6 m/phút |
6 m/phút |
|
|
Trục chính |
Tốc độ trục chính |
0 – 4.500 vòng/phút |
0 – 4.500 vòng/phút |
0 – 4.500 vòng/phút |
0 – 4.500 vòng/phút |
|
Dải tốc độ |
Vô cấp |
Vô cấp |
Vô cấp |
Vô cấp |
|
|
Mũi trục chính |
A2-6 |
A2-6 |
A2-6 |
A2-6 |
|
|
Lỗ xuyên trục chính |
80 mm |
80 mm |
80 mm |
80 mm |
|
|
Đường kính trong ổ trục trước |
110 mm |
110 mm |
110 mm |
110 mm |
|
|
Lỗ xuyên ống kéo |
66 mm (71 mm tùy chọn) |
66 mm (71 mm tùy chọn) |
66 mm |
66 mm |
|
|
Trục C |
Độ chia đầu vào nhỏ nhất |
0,001° |
0,001° |
0,001° |
0,001° |
|
Độ chia bước tăng nhỏ nhất |
0,001° |
0,001° |
0,001° |
0,001° |
|
|
Tốc độ chia độ nhanh |
600 vòng/phút |
600 vòng/phút |
600 vòng/phút |
600 vòng/phút |
|
|
Tốc độ ăn dao khi cắt |
1 – 4.800 °/phút |
1 – 4.800 °/phút |
1 – 4.800 °/phút |
1 – 4.800 °/phút |
|
|
Đầu kẹp trục C |
Khóa đĩa |
Khóa đĩa |
Khóa đĩa |
Khóa đĩa |
|
|
Thời gian kẹp trục C |
1,5 giây |
1,5 giây |
1,5 giây |
1,5 giây |
|
|
Đài dao |
Kiểu đài dao |
Tang trống lục giác |
Đài dao 15 trạm |
Tang trống lục giác |
Đài dao 15 trạm |
|
Số lượng ổ chứa dao |
24 |
15 |
24 |
15 |
|
|
Số lượng vị trí lắp |
24 |
15 |
24 |
15 |
|
|
Kích thước cán dao vuông |
□20, □25 mm |
□20, □25 mm |
□20, □25 mm |
□20, □25 mm |
|
|
Kích thước cán dao tròn |
Ø32 mm |
Ø32 mm |
Ø32 mm |
Ø32 mm |
|
|
Dao truyền động |
Kiểu truyền động |
Quay độc lập từng trạm |
Quay độc lập từng trạm |
Quay độc lập từng trạm |
Quay độc lập từng trạm |
|
Tốc độ quay |
6.000 vòng/phút |
6.000 vòng/phút |
6.000 vòng/phút |
6.000 vòng/phút |
|
|
Dải tốc độ |
Vô cấp |
Vô cấp |
Vô cấp |
Vô cấp |
|
|
Số lượng đài dao truyền động |
12 |
15 |
12 |
15 |
|
|
Cỡ collet |
AR25 |
AR25 |
AR25 |
AR25 |
|
|
Chuôi dao |
Holder thẳng / ngang Ø1–Ø16 mm |
Holder thẳng / ngang Ø1–Ø16 mm |
Holder thẳng / ngang Ø1–Ø16 mm |
Holder thẳng / ngang Ø1–Ø16 mm |
|
|
Ụ động (tùy chọn) |
Đường kính nòng ụ động |
Ø70 mm |
Ø70 mm |
Ø80 mm |
Ø80 mm |
|
Côn ụ động |
MT-4 |
MT-4 |
MT-4 |
MT-4 |
|
|
Hành trình nòng ụ động |
80 mm |
80 mm |
80 mm |
80 mm |
|
|
Hành trình ụ động |
200 mm |
200 mm |
435 mm |
435 mm |
|
|
Trục chính phụ (tùy chọn) |
Tốc độ trục chính |
– |
– |
0 – 6.000 vòng/phút |
0 – 6.000 vòng/phút |
|
Dải tốc độ |
– |
– |
Vô cấp |
Vô cấp |
|
|
Chuẩn đầu trục chính |
– |
– |
A2-5 |
A2-5 |
|
|
Lỗ xuyên trục chính |
– |
– |
56 mm |
56 mm |
|
|
Đường kính trong ổ trục trước |
– |
– |
80 mm |
80 mm |
|
|
Lỗ xuyên ống kéo |
– |
– |
43 mm |
43 mm |
|
|
Công suất động cơ |
Trục chính chính – tiêu chuẩn |
15/11 kW – 110/61 N·m – 4.500 rpm |
15/11 kW – 125/69 N·m – 4.500 rpm |
||
|
Trục chính chính – mô-men xoắn cao |
15/11 kW – 258/218 N·m – 4.500 rpm |
15/11 kW – 258/218 N·m – 4.500 rpm |
|||
|
Trục chính chính – tốc độ thấp |
15/11 kW – 143/79 N·m – 3.000 rpm |
15/11 kW – 158/83 N·m – 3.000 rpm |
|||
|
Trục chính phụ |
– |
– |
7.5 / 5.5 kW |
7.5 / 5.5 kW |
|
|
Động cơ dao truyền động |
5.5 / 3.7 kW |
5.5 / 3.7 kW |
5.5 / 3.7 kW |
5.5 / 3.7 kW |
|
|
Kích thước & trọng lượng |
Chiều cao máy |
1.850 mm |
1.850 mm |
1.935 mm |
1.935 mm |
|
Diện tích lắp đặt |
1.650 × 1.600 mm |
1.650 × 1.600 mm |
2.716 × 1.805 mm (Tiêu chuẩn) |
||
|
Trọng lượng máy |
3.200 kg |
3.200 kg |
5.000 kg |
||
|
Công suất nguồn |
20.6 kVA |
20.6 kVA |
19.8 kVA (TC) / 23 kVA (TC phụ) |
||

Bình luận